o 板框滤油机

asiagame

  • 板框滤油机的作用和原理

    板框滤油机的作用 板框滤油机主要用于电厂、电站、工矿企业的变电所(室)润滑 油库、拖沓机站、石油、化工、冶金、国防工业等单位过滤变压器油、透 平油、真空液压油、极压齿轮油、机械油及其它润滑油中的水份和杂质,,,,,, 是真空净油机、透平油过滤机用于前置初过滤的理想装备。。。。。。。 因受齿轮结构及装置结构的限制,,,,,,对高粘度的油液不适用;;;对汽油、 煤油等无滑性的油类,,,,,,可凭证用户需要选用特殊质料用配用特种电机。。。。。。。当 油液粘度较大时,,,,,,应先将油加热(如接纳我厂生产的 DJL 系列加热装置),,,,,, 以降低油液粘度而便于过滤。。。。。。。如油液太脏…

    手艺支持, 行业新闻 2021年1月21日
  • LY-100 板框滤油机的维护

    按期准确的维护LY-100 板框滤油机是很是要害和须要的, 经由周期准确的维护,,,,,,LY-100 板框滤油机可以无故障运行,,,,,,寿命可以延伸,,,,,,可以阻止消耗和替换本钱,,,,,,阻止潜在的破损,,,,,,以是LY-100 板框滤油机按期维护会增添使用寿命,,,,,, 1、要经常坚持机械的清洁。。。。。。。 2、滤板滤框的耳子比料懦弱,,,,,,使用时要轻拿轻放。。。。。。。 3、推动滤油机时,,,,,,速率不要太快,,,,,,阻止机械受至强烈攻击而损坏装备。。。。。。。 4、在压紧螺杆螺母上应经常加润滑油。。。。。。。 5、在使用滤油机时,,,,,,应将电机外壳接地,,,,,,避免电机绝缘不良爆发事故。。。。。。。 6、上箱和后箱翻开时,,,,,,用力…

    手艺支持, 行业新闻 2021年1月18日
  • asiagameLY-100 板框滤油机操作

    asiagameLY-100 板框滤油机主要用于电厂、电站、工矿企业的变电所(室)润滑 油库、拖沓机站、石油、化工、冶金、国防工业等单位过滤变压器油、透 平油、真空液压油、极压齿轮油、机械油及其它润滑油中的水份和杂质,,,,,, 是真空净油机、透平油过滤机用于前置初过滤的理想装备。。。。。。。 asiagameLY-100 板框滤油机,,,,,,通过配备特殊推进式油泵,,,,,,其 吸程和对油的粘度的适用规模比原来提高了一倍以上,,,,,,噪音也在原来的基 础上有很洪流平的降低。。。。。。。 LY-100 板框滤油机操作: 1、操作前将冲好孔的滤纸仔细地夹在每个滤板、滤框之间,,,,,,每层…

    手艺支持, 行业新闻 2021年1月16日
  • 新型滤油机的特点

    一、古板板框滤油机的结构和事情原理: 古板的板框滤油机是由交替的滤板和滤框组成,它们支持在一对横梁上,并可以在其上滑动,由压紧装置压紧或拉开,滤板外貌结构有凸台式和沟槽式。。。。。。。将待滤液通过泵从后顶板的进料孔打进到各个滤室,,,,,,通过滤布,,,,,,待滤液中固体杂物被截留在滤室中,,,,,,并逐步形成滤饼;;;液体则通过板框上的出料孔倾轧机外。。。。。。。? 板框滤油机的排料可分为明流和暗潮两种形式。。。。。。。滤液通过板框两侧的出料孔直接倾轧机外的为明流式,,,,,,明流的利益在于可以视察每一块滤板的出液情形,,,,,,通过倾轧滤液的透明度直接发明问题。。。。。。。古板板框滤油机的缺…

    手艺支持, 行业新闻 2020年7月7日
  • 板框滤油机用途和特征

    用途 板框压力式滤油机主要用于电厂、电站、工矿企业的变电所(室)润滑油库、拖沓机站、石油、化工、冶金、国防工业等单位过滤变压器油、透平油、真空液压油、极压齿轮油、机械油及其它润滑油中的水份和杂质,,,,,,是真空净油机、透平油过滤机用于前置初过滤的理想装备。。。。。。。 因受齿轮结构及装置结构的限制,,,,,,对高粘度的油液不适用;;;对汽油、煤油等无滑性的油类,,,,,,可凭证用户需要选用特殊质料用配用特种电机。。。。。。。当油液粘度较大时,,,,,,应先将油加热(如接纳我厂生产的 DJL 系列加热装置),,,,,,以降低油液粘度而便于过滤。。。。。。。如油液太脏,,,,,,可先接纳沉淀的方…

    手艺支持, 行业新闻 2020年5月29日
  • 板框滤油机

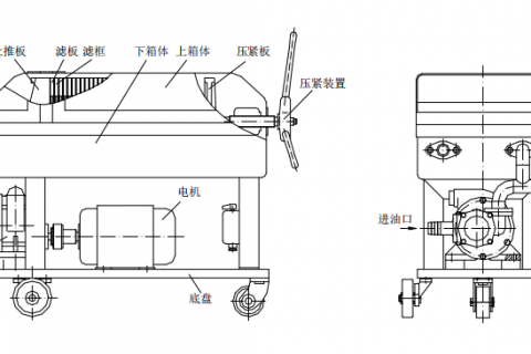
    板框滤油机应用规模: 该滤油机专供电厂、变电所(站)、供电所、油库(包括工厂油库)及有关工厂企业对变压器油、电容器油及种种绝缘质料油等油液举行过滤,,,,,,驱除其水份和杂质,,,,,,提高油液的耐压强度,,,,,,对液压用油、润滑油等,,,,,,通过加温,,,,,,降低粘度的要领,,,,,,亦可举行过滤,,,,,,以使费油再生,,,,,,节约能源。。。。。。。 板框滤油机主要结构形式: 本机是由齿轮泵、滤清器、清静阀、回油阀、放液水嘴、滤床(包括压力表、滤板、滤框、滤纸、油盘)、前支架、后支架、底盘、拉杆、联轴器及电念头组成,,,,,,其中滤板、滤框交替地组成各个自力的过滤室,,,,,,滤纸夹在滤板与滤…

    汽轮机油滤油机系列 2020年1月29日
  • 液压油板框滤油机

    液压油板框滤油机用途: asiagame液压油板框压力式滤油机是专为电厂、电站、工矿企业的变电所润滑油库、拖沓机站、石油、化工、冶金、国防工业等单位,,,,,,用来过滤变压器油、透平油、机械油、淬煤油及其它液体油液中的微水和杂质。。。。。。。

    润滑油滤油机系列 2019年2月25日

联系asiagame

13452372176

可微信在线咨询

事情时间:周一至周五,,,,,,9:30-18:30,,,,,,节沐日休息

QR code
【网站地图】【sitemap】